od baffy » ned 22. říj 2017, 8:03
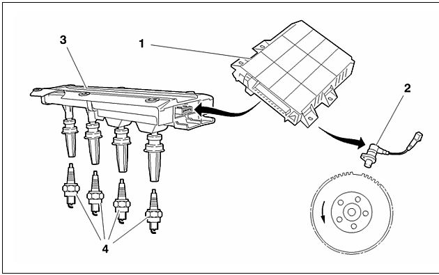
Nič komplikované.Odpojíš konektor zo zapalovacej rampy č.3 na obrázku ,odkrútiš skrutky ,neviem presne kolko ich je asi 4 ks ,ťahom vyberieš rampu a si pri sviečkach.Teraz už len dlhý nástavec na golu ,ideálne origo na sviečky ,ktorý má vo vnútri gumený krúžok a ten ti podrží sviečku aby si ju vedel vytiahnuť von zo šachty.
- Přílohy
-

- Výstřižek.JPG (41.57 KiB) Zobrazeno 23284 krát
Minulosť: Citroen sára 1.6 16V r.v.2001
Minulosť: Karol I 407 2.0 HDI 100kW r.v.2008
Minulosť: Karol II 508 Hybrid 4x4 2.0 HDI 120kW r.v.2015
Prítomnosť: Karol III 3008 2.0 bohužiaľ už BlueHDI 133kW r.v. 2018