Zdravím,
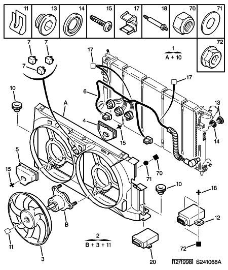
mám xsaru 1.8 exclusive automat,automatická klimatizace.Zničeho nic,mi teplota začala stoupat na hodnotu okolo 95 stupňů.Vyměnil jsem termostat a dolil novou chladící kapalinu G11 a odvzdušnil.Neředil jsem ji.Podotýkám,před tím tam byla taky neředěná G11.Ale koukal jsem že ani při hodnotě asi 92 stupňů se nespínají sahary.Mohl by sem někdo dát fotografie čidel z jejich přesným umístění?
Druhý problém je,že zlobí ventilátor topení.Občas se sepne a občas ne.Podotýkám,že jsem hledal tepelnou pojistku a i podle popisu v tomhle fóru jsem jí nenašel a to jsem demontoval i celou přihrádku u spolujezdce.Mám tam uplně něco jiného,než bylo na těch fotografiích.Momentálně ventilátor funguje.Podotýkám,byl neskutečně zanesený kabinový filtr a pro jistotu jsem ho zatím jen vyčistil.Mohlo by to být i tím?




